LONGER How To:Fan Recovery & Replacement for Longer B1

Fan Recovery & Replacement for Longer B1

Longer B1 20W & 30W & 40W has a laser module that can engrave and cut various types of materials. However, depending on the type of work that is carried out, it is possible that a fair amount of smoke and wood dust is produced, which will inevitably settle on the fan of the laser module and suck into it. In fact, due to the high power of the laser beam, the laser module tends to heat up and for this reason it is necessary that there is a high-speed cooling fan; however, during its operation the fan sucks in the surrounding air and, if this is rich in smoke and dust produced during engraving, inevitably the fan and the laser module will soon be full of smoke and dust as well. When the laser module is saturated with dirt, cooling becomes ineffective, so you need to clean the laser module. 

In some cases, as a result of prolonged use, the fan may stop working, and in these cases, it is necessary to replace the fan as soon as possible, otherwise the laser module will be damaged.
To proceed with recovering or replacing the fan of the laser module of the Longer B1 20W & 30W & 40W, it is first necessary to completely disassemble the laser module from the rest of the machine. Therefore, disconnect the power cable of the laser module, then remove the connection with the air assist, and finally physically remove the laser module from the rest of the machine. Now, unscrew the 4 screws of the laser module cover and remove the cover.

After removing the metal cover, gently lift the fan, then gently disconnect its connector from the rest of the laser module, as shown in the figure.

At this point, proceed to clean the fan thoroughly.
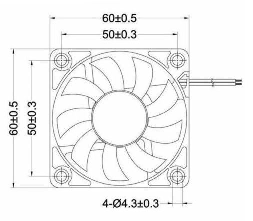
In the event that the fan is damaged or faulty, it can be replaced with a 60mm x 60mm fan, specification 24 Volt - 0.40 Ampere, like the type shown in the figure.

After the fan cleaning or replacement procedure is complete, proceed to connect the fan connector to the rest of the laser module; Then, position the fan and proceed to close the metal cover, following the steps followed at the beginning backwards. Finally, install the laser module on the machine, carefully connect all the connectors, and carry out ignition and engraving tests, so as to verify that everything is working correctly.

RELATED POSTS

Title
Thanks for contacting us. We'll get back to you as soon as possible.